Assalamu’alaikum warahmatullahi wabarakatuh
Salam RC Valve bro n sist, posting kali ini mengenai daftar spare part NSR 150 SP di bagian bureng (silinder) & kop bureng (kop silinder) / cylinder & cylinder head. Monggo silakan disimak, siapa tau berguna...
Wassalamu’alaikum warahmatullahi wabarakatuh
Salam RC Valve bro n sist, posting kali ini mengenai daftar spare part NSR 150 SP di bagian bureng (silinder) & kop bureng (kop silinder) / cylinder & cylinder head. Monggo silakan disimak, siapa tau berguna...
|
REF. NO
|
PART NUMBER
|
DESCRIPTION
|
REQD. NO
|
|
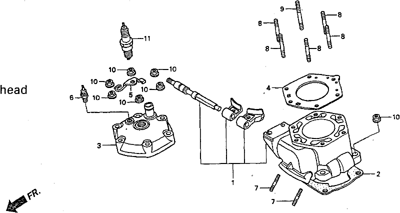
1
|
06121-KW6-840
|
CYLINDER SET A
|
1
|
|
|
06122-KW6-840
|
CYLINDER SET B
|
1
|
|
|
06123-KW6-840
|
CYLINDER SET C
|
1
|
|
2
|
12191-KW6-900
|
GASKET, CYLINDER
|
1
|
|
3
|
12201-KW6-840
|
HEAD, CYLINDER
|
1
|
|
4
|
12251-KW6-840
|
GASKET, CYLINDER HEAD
|
1
|
|
5
|
22875-KW6-840
|
CLAMPER, CLUTCH CABLE
|
1
|
|
6
|
37750-PC1-004
|
THERMO UNIT (DENSO)
|
1
|
|
7
|
92900-08028-1E
|
BOLT, STUD, 8X28
|
2
|
|
8
|
92900-08040-0E
|
BOLT, STUD, 8X40
|
5
|
|
9
|
92922-08050-0E
|
BOLT, STUD, 2.8X50
|
1
|
|
10
|
94050-08000
|
NUT, FLANGE, 8MM
|
10
|
|
11
|
98079-58810
|
PLUG, SPARK, (B8ES) (NGK)
|
1
|
|
|
98079-58824
|
PLUG, SPARK, (W24ES-U) (DENSO)
|
1
|
|
|
98079-59810
|
PLUG, SPARK, (B9ES) (NGK)
|
1
|
|
|
98079-59825
|
PLUG, SPARK, (W27ES-U) (DENSO)
|
1
|
Wassalamu’alaikum warahmatullahi wabarakatuh

No comments:
Post a Comment